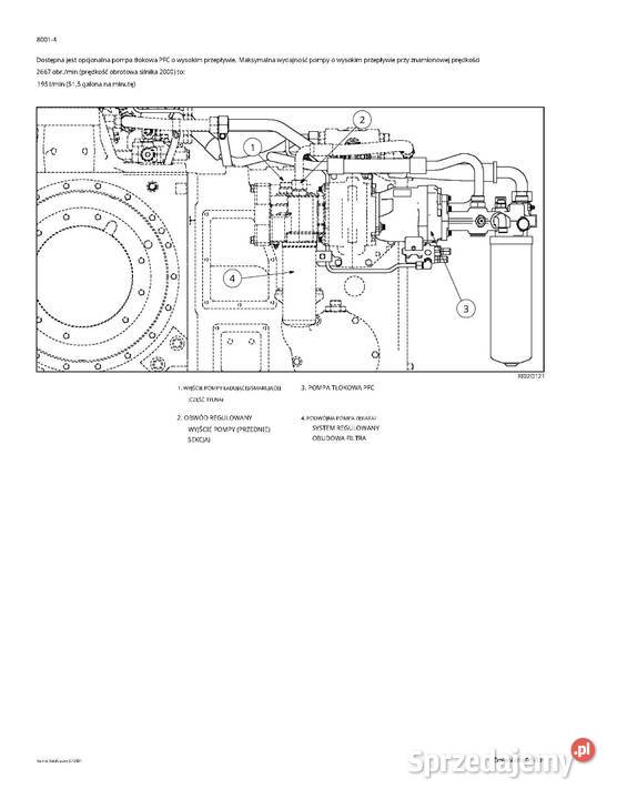
Instrukcja obsługi Same Explorer II 60 70 80 90 T
- Szamotuły, wielkopolskie
- 04 Kwi 11:03
- Nr ogłoszenia: 16282842
- Dostępność: dostępne
- Oferta od firmy
- Stan nowe
- Tematyka motoryzacja, transport
Skontaktuj się
Publikacje Techniczne - AgroBuch jest online
