Wszystko kupisz. Wszystko sprzedasz.
0
Zaloguj się
+ Dodaj ogłoszenie Dla firm

Instrukcja Massey ferguson 825 830 835 840 845 MF katalog kombajn

1 / 12
Obserwuj
  • Oferta od firmy
  • Stan używane
  • Tematyka motoryzacja, transport
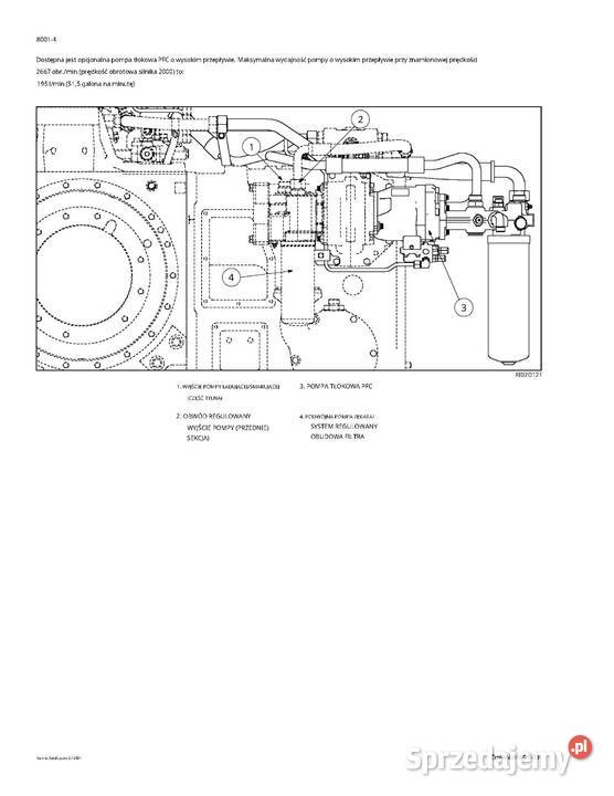
Instrukcja obsługi Massey Ferguson 800 825 830 835 840 845 Książka ilustrowana, zawiera szczegółowe opisy na temat obsługi, eksploatacji i konserwacji codziennej kombajnu. Dziękuję, że odczytujesz to ogłoszenie! Pamiętaj, że jeżeli masz pytania - zawsze możesz się ze skontaktować Instrukcje obsługi, DTR, instrukcja napraw, katalog części Wyślij zapytanie - przygotujemy najkorzystniejszą ofertę Posiadamy w magazynie wiele oryginalnych publikacji technicznych, które nie są wymienione na stronie, nie wahaj się z nami skontaktować, jeśli nie ma dokumentacji, której szukasz. Należy pamiętać, że na tej stronie dostępnych jest kilka rodzajów publikacji i książek Instrukcje obsługi i konserwacji zawierają informacje z zakresu obsługi, bezpieczeństwa, konserwacji i serwisowania okresowego, w tym wymiany płynów eksploatacyjnych i filtrów. Zawiera opisy kontrolek, funkcje i zasady działania będących na wyposażeniu przełączników, dźwigni itd. Instrukcja napraw (serwisowa) — zawiera informacje na temat zasady działania głównych układów i zespołów maszyny, wykonywania czynności sprawdzających i regulacji, rozwiązywania problemów, jak również demontażu i montażu. Zawiera schematy elektryczne i hydrauliczne. UWAGA: Instrukcje napraw silników najczęściej są osobnymi publikacjami. Katalog części zamiennych — zawiera rysunki złożeniowe wszystkich części maszyny podlegających serwisowaniu.Znajdują się w nim również wytyczne dotyczące zamawiania oryginalnych części zamiennych wraz z wykazem oznaczeń numerycznych. UWAGA- Ogłoszenia, reklamy, cenniki i inne informacje, skierowane do ogółu lub do poszczególnych osób, poczytuje się w razie wątpliwości nie za ofertę, lecz za zaproszenie do zawarcia umowy.

Skontaktuj się

Publikacje Techniczne - AgroBuch jest online

Dodaj załącznik
Liczba odsłon: 46
Zgłoś nadużycie
120 zł

Publikacje Techniczne - AgroBuch

FIRMA

Na Sprzedajemy.pl od Cze 2011 jest online
Szamotuły wielkopolskie Zobacz na mapie »

Publikacje Techniczne - AgroBuch

FIRMA

Na Sprzedajemy.pl od Cze 2011 jest online
Szamotuły wielkopolskie Zobacz na mapie »
Oferty firmy
  • O nas

  • Bezpieczenstwo

  • Pomoc

  • Poradnik kupującego

  • Mapa kategorii

  • Ogłoszenia archiwalne

  • Oferta dla firm

Copyright © 2011-2026 Sprzedajemy.pl Sp. z o.o. Korzystanie z serwisu oznacza akceptację regulaminu.

Zarządzaj powiadomieniami
Odblokuj powiadomienia