Wszystko kupisz. Wszystko sprzedasz.
0
Zaloguj się
+ Dodaj ogłoszenie

ROZDZIELACZ 80L + ELEKTROZAWÓR LINKI 3 SEKCJE TURA [8475]

1 / 11
Obserwuj
  • Oferta od firmy
  • Stan nowe
  • Marka maszyny Inna
  • Rok produkcji 2022
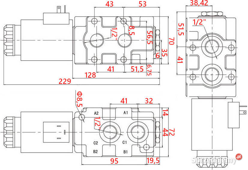
Zestaw hydrauliczny 3-sekcyjny 80L/min do TURA KOD SKRAW MET: [8475] Skład zestawu: 2x linka o długości 2m [3935] rozdzielacz hydrauliczny na linki 2 sekcyjny 80L/min [1603] elektrozawór — dzielnik 6/2 12V 90L/min [1962] Zestaw doskonale sprawdza się w maszynach i urządzeniach zasilanych hydraulicznie. Gwarantuje skuteczne sterowanie dwiema sekcjami w ładowaczach czołowych TUR (podnoszenie ramy oraz pochyłość łychy) oraz jedną dodatkową po wciśnięciu przycisku. Zestaw posiada wiele zalet, które wpływają na dynamiczne, szybkie i bezpieczne sterowanie maszyną. Może być wykorzystywany w rolnictwie, sadownictwie, leśnictwie czy budownictwie. Dostosowany jest do pracy w: maszynach rolniczych, ciągnikach, opryskiwaczach, turach, cyklopach, ładowaczach HDS, maszynach budowlanych, ładowarkach, koparkach, zamiatarkach, maszynach przemysłowych i innych. ___ ROZDZIELACZ HYDRAULICZNY 2 SEKCYJNY 80L NA LINKI Producent: SM-G (SKRAW MET GROUP) Rozdzielacz wysokiej jakości, monoblokowy charakteryzuje się zwartą konstrukcją, stabilną pracą i dużą uniwersalnością. Umożliwia sterowanie dwoma siłownikami dwustronnego lub (po zaślepieniu jednego z portów) jednostronnego działania. Istnieje możliwość podłączenia szeregowego do istniejącego układu (wymagana tuleja ciśnieniowa). Sterowanie z kabiny za pomocą linek i joysticka. Zastosowanie: Rozdzielacz doskonale sprawdza się w maszynach i urządzeniach zasilanych hydraulicznie. Może być wykorzystywany w rolnictwie, sadownictwie, leśnictwie czy budownictwie. Rozdzielacz uniwersalny, znajduje zastosowanie w różnego rodzaju maszynach jak: Cyklopy Tury Ładowacze Pługi Wózki widłowe i wiele innych Suwak trzypozycyjny (1 - 0 - 2) na sprężynie sama wraca do pionu Pozycja 0 neutralna (joystick ustawiony w pionie — linka jest lużna) tłoczysko siłownika stoi — olej idzie na przelew. Pozycja 1 robocza (joystick ustawiony w pozycji ukośnej do przodu) tłoczysko siłownika wysuwa się. Pozycja 2 robocza (joystick ustawiony w pozycji ukośnej do tyłu) tłoczysko siłownika chowa się. Podłączenie: Zasilanie (P) BSP 3/4'' Powrót  (T) BSP 3/4'' Wyjście na sekcje BSP 1/2'' Podłączenie BSP 3/4" Specyfikacja techniczna: Przepływ oleju:  0 - 80 l/min Maksymalne ciśnienie robocze: 250 bar Dopuszczalna temperatura otoczenia: -40'C do +60'C Dopuszczalna temperatura oleju: -15'C do +80'C Wyposażony w zawór bezpieczeństwa. ___ Elektrozawór 6/2 12v 90 l/min z wtyczką Producent: SM-G (SKRAW MET GROUP) Elektrozawór ten jest idealnym rozwiązaniem gdy w wykorzystywanym rozdzielaczu hydraulicznym (w celu sterowania siłownikiem) zabraknie nam dodatkowej sekcji do sterowania kolejnym siłownikiem. Stosowany przy sterowaniu hydraulicznym, najczęściej przy rozdzielaczu 2-sekcyjnym, jako 3-sekcja np. chwytak, krokodyl itp., Do jednego bloku można łączyć szeregowo za pomocą kołnierzy maksymalnie 3 zawory. Elektrozawór wysokiej jakości, charakteryzuje się zwartą konstrukcją, stabilną pracą i dużą uniwersalnością. Zastosowanie: Rozdzielacz doskonale sprawdza się w maszynach i urządzeniach zasilanych hydraulicznie. Może być wykorzystywany w rolnictwie, sadownictwie, leśnictwie czy budownictwie. Przykładowe zastosowanie elektrozaworu: dwa siłowniki hydrauliczne dwustronnego działania sterowane za pomocą jednej sekcji w rozdzielaczu. Dzięki niemu (za pomocą impulsu elektrycznego spowodowanego przyciskiem), mamy możliwość sterowania dwoma niezależnymi siłownikami dwustronnego działania. Przycisk ten przeważnie znajduje się na elemencie sterującym tj. dźwignia lub joystick. Należy wziąć pod uwagę fakt, iż nie daje on możliwości sterowania dwoma siłownikami jednocześnie. Dane techniczne: Gwinty (BSP): 3/4" Maksymalny przepływ oleju: 90 l/min Napięcie: 12 V Maksymalne ciśnienie robocze: 315 bar Dopuszczalna temperatura otoczenia: -40'C do +60'C Dopuszczalna temperatura oleju: -15'C do +80'C PODŁĄCZENIE: A1 - A2 ZASILANIE / POWRÓT (niezależnie czy A1 lub A2 będzie powrotem czy zasilaniem) B1 - B2 - C1 - C2 WYJŚCIA NA ODBIORNIKI (np. SIŁOWNIKI) ___ Linka do sterowania rozdzielaczem na kulkę 2m Producent: SM-G (SKRAW-Met Group) Linka doskonale sprawdza się przy sterowaniu rozdzielaczami hydraulicznymi stosowanymi w maszynach i urządzeniach zasilanych hydraulicznie sterowanych joystickiem / dźwignią. Może być wykorzystywany w rolnictwie, sadownictwie, leśnictwie, budownictwie czy szeroko pojętym przemyśle. Końcówki: Końcówka linki od strony joysticka zakończona kulką o średnicy 14mm Końcówka linki od strony rozdzielacza gwint korpusu linki M16x1.5, gwint suwaka M6x1.6

Skontaktuj się

Hydraulika Siłowa SKRAW-MET DYSTRYBUCJA Sp. z o.o. jest online

Dodaj załącznik
Liczba odsłon: 286
Zgłoś nadużycie
640 zł

Hydraulika Siłowa SKRAW-MET DYSTRYBUCJA Sp. z o.o.

FIRMA

Na Sprzedajemy.pl od Sie 2017 jest online
Solec Kujawski kujawsko-pomorskie Zobacz na mapie »

Hydraulika Siłowa SKRAW-MET DYSTRYBUCJA Sp. z o.o.

FIRMA

Na Sprzedajemy.pl od Sie 2017 jest online
Solec Kujawski kujawsko-pomorskie Zobacz na mapie »
Oferty firmy

Adres

Hydraulika Siłowa SKRAW-MET DYSTRYBUCJA Sp. z o.o.
ul.Błonie 2D
86-050 Solec Kujawski
Zobacz na mapie
tel.: 518292444
  • O nas

  • Bezpieczenstwo

  • Pomoc

  • Poradnik kupującego

  • Mapa kategorii

  • Ogłoszenia archiwalne

  • Oferta dla firm

Copyright © 2011-2025 Sprzedajemy.pl Sp. z o.o. Korzystanie z serwisu oznacza akceptację regulaminu.

Zarządzaj powiadomieniami
Odblokuj powiadomienia