Wszystko kupisz. Wszystko sprzedasz.
0
Zaloguj się
+ Dodaj ogłoszenie Dla firm

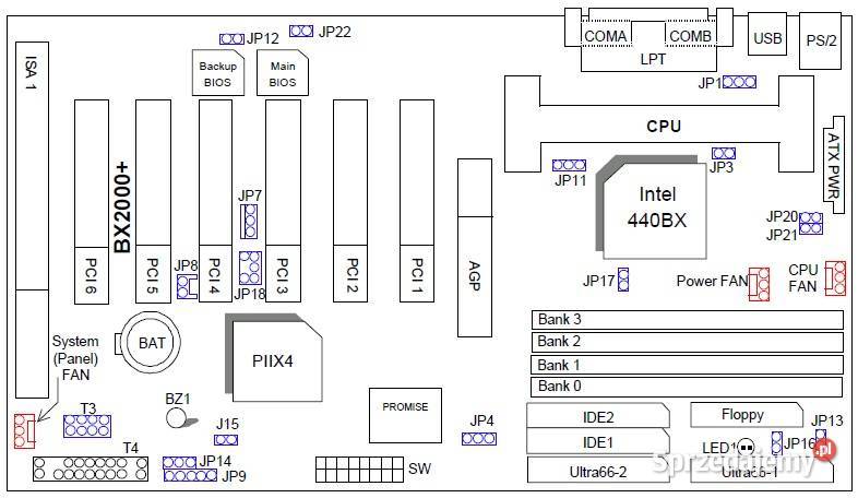
Płyta główna Gigabyte GA-BX2000+ rev1.2 z PIII 733 SL455 SLOT1

1 / 1
Obserwuj
  • Oferta od osoby prywatnej
  • Stan używane
  • Producent Gigabyte
  • Standard ATX
  • Typ pamięci Inny
  • Socket Pozostałe
Niesprawdzona płyta główna Płyta główna Gigabyte GA-BX2000+ rev1.2 z PIII 733 SL455 SLOT1 Super płyta na Intelu z roku 2000 z rajdem bo ma cztery gniazda ATA 66 na kontrolerze Promise. Ważne, że jest gniazdo ISA dla retro sprzętu dla DOS bo w i815 już tego nie ma. Przy AGP dwa napęczniałe kondensatory 330uF 25V, które wymienię. Cena za płytę może wysoka z uwagi na rok produkcji 1999/2000 lecz procesory na SLOT 1 (242) są dla kolekcjonerów bardzo sentymentalne a mnie się bardzo podobają z uwagi na wielkość. Sam procesor Pentium III na STOL1 kosztował w 2000 roku około 500 zł a płyta z rajdem to z 1000 zł. Karta graficzna o GeForce 2 MX na SDRAM. Mam też i innym ogłoszeniu ATI RAGE FURY 16MB Z wyjściem telewizyjnym S-VHS I kompozyt Dam gratis. W komplecie maskownica o ile dopasuje. Pamięci to dwie kości RAM to GMM26416233ENT G-7J I 9 5 0 2 S PC100-322-620 pamięć HYUNDAI 16 KOŚCI na module. Szkoda oddawać na złom za 5 zł. Możliwa wysyłka w cenie 22 zł po wpłacie na konto. Zgodna z Windows XP. Posiadam zasilacz Qultec 425W i inne zasilacze więc zapytaj bo mam więcej części komputerowych. Specyfikacja na theretroweb com motherboards s gigabyte-ga-bx2000-2 (proszę zamiast spacji kropki wstawić i ukośniki) Możliwość wysyłki w cenie 22 zł.

Dodatkowe

  • kontroler RAID

Skontaktuj się

sezam_komputerowy jest online

Dodaj załącznik
Liczba odsłon: 244
Zgłoś nadużycie
150 zł

sezam_komputerowy

OSOBA PRYWATNA

Na Sprzedajemy.pl od Mar 2018 jest online
Knurów śląskie Zobacz na mapie »
  • O nas

  • Bezpieczenstwo

  • Pomoc

  • Poradnik kupującego

  • Mapa kategorii

  • Ogłoszenia archiwalne

  • Oferta dla firm

Copyright © 2011-2026 Sprzedajemy.pl Sp. z o.o. Korzystanie z serwisu oznacza akceptację regulaminu.

Zarządzaj powiadomieniami
Odblokuj powiadomienia